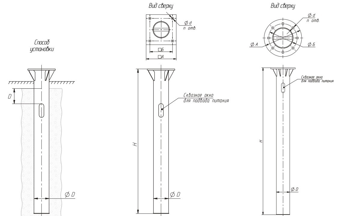
Фланцевое соединение
ЗДФ делаются в двух исполнениях:
- Квадратный фланец – тип К
- Круглый фланец – тип Д


| Название | Масса, кг | H | D | d | n | Б | A | Геометрия фланца |
| ЗДФ108-100К190 (ЗФ-16/4/К140-1,0-б) |
12,4 | H 1,00 | D 108 | d М16 | n 4 | Б 140 | А 190 | Квадрат |
| ЗДФ168-800К224 (ЗФ-20/4/К180-0,8-б) |
25 | H 0,80 | D 168 | d М16 | n 4 | Б 180 | А 224 | Квадрат |
| ЗДФ133-1250К240 (ЗФ-20/4/К180-1,25-б) |
23,1 | H 1,25 | D 133 | d М16 | n 4 | Б 200 | А 240 | Квадрат |
| ЗДФ159-1500Д400 (ЗФ-24/6/Д310-1,5-б) |
39 | H 1,50 | D 159 | d М24 | n 6 | Б 310 | А 400 | Круг |
| ЗДФ219-2000Д400 (ЗФ-24/8/Д310-2,0-б) |
106 | H 2,00 | D 219 | d М24 | n 8 | Б 310 | А 400 | Круг |
| ЗДФ219-2500Д420 (ЗФ-24/8/Д360-2,5-б) |
121,4 | H 2,50 | D 219 | d М24 | n 8 | Б 360 | А 420 | Круг |
| ЗДФ273-2500Д540 ЗФ-30/8/Д440-2,5-б) |
167,4 | H 2,50 | D 273 | d М30 | n 8 | Б 440 | А 540 | Круг |
| ЗДФ325-3000Д550 (ЗФ-30/12/Д440-3,0-б) |
225 | H 3,00 | D 325 | d М30 | n 12 | Б 440 | А 550 | Круг |
| ЗДФ377-3000Д580 (ЗФ-36/12/Д470-3,0-б) |
310 | H 3,00 | D 377 | d М36 | n 12 | Б 470 | А 580 | Круг |