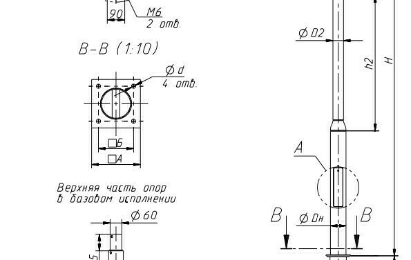
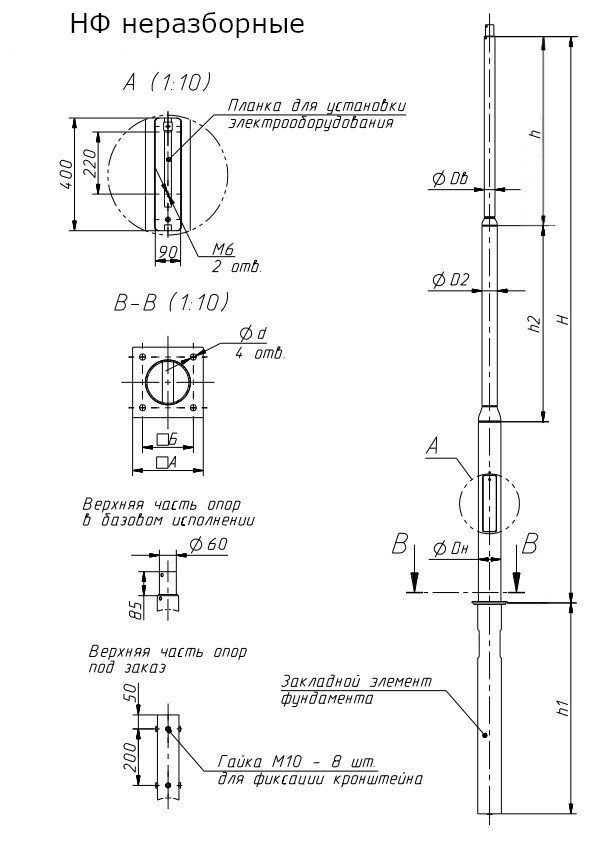
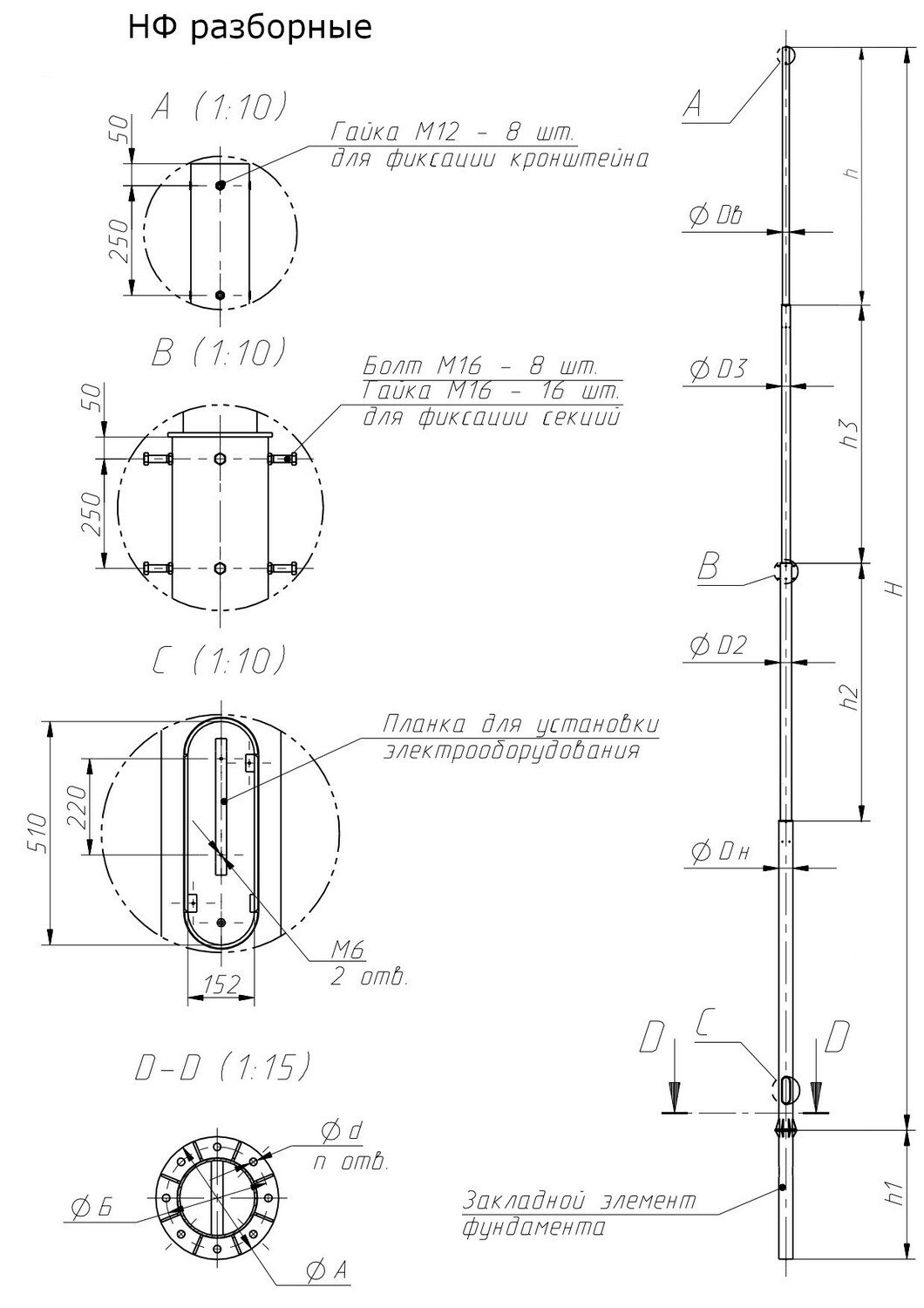
Ревизионный лючок
В лючке предусмотрена планка для установки комплектующих и точка заземления (болт М10).
Ревизионный лючок для распределения кабелей имеет специальное усиление, для обеспечения повышенной прочности.
Высота от фланца опоры до нижней кромки лючка 500 мм.






